PCB Libraries Forum Homepage
Forum Home Forum Home > PCB Footprint Expert > Questions & Answers
  New Posts New Posts RSS Feed - SOT89 Package Footprints
  FAQ FAQ  Forum Search   Events   Register Register  Login Login

SOT89 Package Footprints

 Post Reply Post Reply
Author
Message
m.elsayed View Drop Down
Expert User
Expert User


Joined: 22 Sep 2016
Status: Offline
Points: 265
Post Options Post Options   Thanks (0) Thanks(0)   Quote m.elsayed Quote  Post ReplyReply Direct Link To This Post Topic: SOT89 Package Footprints
    Posted: 25 Nov 2025 at 7:07am
How do I to build this SOT89 package in Footprint Expert? Which module should I select?

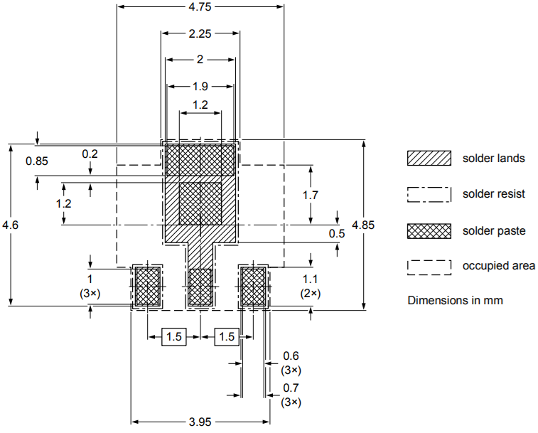
Part Number: PXT2907A,115
Case Code: SOT89
Manufacturer: Nexperia


Pad Shape is flat and can't find this shape in the Surface Mount component families.

Back to Top
 
Back to Top
Tom H View Drop Down
Admin Group
Admin Group
Avatar

Joined: 05 Jan 2012
Location: San Diego, CA
Status: Offline
Points: 6058
Post Options Post Options   Thanks (0) Thanks(0)   Quote Tom H Quote  Post ReplyReply Direct Link To This Post Posted: 25 Nov 2025 at 8:42am
The Nexperia PXT2907A,115 is on www.pcblibraries.com/POD 

It's available for free download. 

Components with irregular shaped pad stacks are created in a CAD tool and imported in the FPX file library. 

You must select the FPX file Row and use Batch Build to create the footprint. 

All SOT89 footprints use the mfr. recommended pattern. 

However, you could potentially create this footprint in FP Designer.

Stay connected - follow us! X - LinkedIn
Back to Top
m.elsayed View Drop Down
Expert User
Expert User


Joined: 22 Sep 2016
Status: Offline
Points: 265
Post Options Post Options   Thanks (0) Thanks(0)   Quote m.elsayed Quote  Post ReplyReply Direct Link To This Post Posted: 25 Nov 2025 at 10:48am
Can please add more details and provide steps for creating this package with screen shoots
Back to Top
Tom H View Drop Down
Admin Group
Admin Group
Avatar

Joined: 05 Jan 2012
Location: San Diego, CA
Status: Offline
Points: 6058
Post Options Post Options   Thanks (0) Thanks(0)   Quote Tom H Quote  Post ReplyReply Direct Link To This Post Posted: 25 Nov 2025 at 11:40am
The Nexperia SOT89 uses the Mfr. Recommended Pattern. 

This footprint requires custom paste mask but it still doable in FP Designer. 

Doing step by step instructions would be rather lengthy. 

In FP Designer you could create pin 2 with two pads pins 2a and 2b and when you import to Altium it will rename the two pins to Pin 2. 

You can also add the custom Paste Mask using Drafting Outlines on the Paste Mask layer. 


 
Stay connected - follow us! X - LinkedIn
Back to Top
m.elsayed View Drop Down
Expert User
Expert User


Joined: 22 Sep 2016
Status: Offline
Points: 265
Post Options Post Options   Thanks (0) Thanks(0)   Quote m.elsayed Quote  Post ReplyReply Direct Link To This Post Posted: 25 Nov 2025 at 12:05pm
Thanks Tom for your support 
However This something need your extra effort from your side to make steps for it
But it will be more helpful so that I can create it b following your steps
Can please provide steps on details please
Back to Top
Tom H View Drop Down
Admin Group
Admin Group
Avatar

Joined: 05 Jan 2012
Location: San Diego, CA
Status: Offline
Points: 6058
Post Options Post Options   Thanks (0) Thanks(0)   Quote Tom H Quote  Post ReplyReply Direct Link To This Post Posted: 25 Nov 2025 at 12:12pm
FP Designer has the same features for all footprints. 

Once you know how to build one FP designer footprint, you should be able to create every non-standard footprint. 

Watch this video: 

This will review how to Create:
  • Package Outline including Polarity Marking and Courtyard
  • Pad Stack creation
  • Pad Stack placement
  • Relocate Origin
  • Enter Specifications
  • Save to FPX library

Stay connected - follow us! X - LinkedIn
Back to Top
m.elsayed View Drop Down
Expert User
Expert User


Joined: 22 Sep 2016
Status: Offline
Points: 265
Post Options Post Options   Thanks (0) Thanks(0)   Quote m.elsayed Quote  Post ReplyReply Direct Link To This Post Posted: 26 Nov 2025 at 9:50pm
when i get fpx from POD, it's opened in pad viewer window not like normal way, also can't be bulit in required formate, can't chekced it's paramters
Back to Top
Tom H View Drop Down
Admin Group
Admin Group
Avatar

Joined: 05 Jan 2012
Location: San Diego, CA
Status: Offline
Points: 6058
Post Options Post Options   Thanks (0) Thanks(0)   Quote Tom H Quote  Post ReplyReply Direct Link To This Post Posted: 27 Nov 2025 at 8:43am
Stay connected - follow us! X - LinkedIn
Back to Top
 Post Reply Post Reply

Forum Jump Forum Permissions View Drop Down



This page was generated in 1.141 seconds.