PCB Libraries Forum Homepage
Forum Home Forum Home > PCB Footprint Expert > Product Suggestions
  New Posts New Posts RSS Feed - Add a SOT89 Component Family Calculator
  FAQ FAQ  Forum Search   Events   Register Register  Login Login

Add a SOT89 Component Family Calculator

 Post Reply Post Reply
Author
Message
m.elsayed View Drop Down
Expert User
Expert User


Joined: 22 Sep 2016
Status: Offline
Points: 265
Post Options Post Options   Thanks (0) Thanks(0)   Quote m.elsayed Quote  Post ReplyReply Direct Link To This Post Topic: Add a SOT89 Component Family Calculator
    Posted: 25 Nov 2025 at 12:31pm
Since SOT89 is a popular component family. 

We need to add this package in the surface mount Calculator instead of creating it in FP Designer.

This is an urgent request.

Back to Top
 
Back to Top
Tom H View Drop Down
Admin Group
Admin Group
Avatar

Joined: 05 Jan 2012
Location: San Diego, CA
Status: Offline
Points: 6058
Post Options Post Options   Thanks (0) Thanks(0)   Quote Tom H Quote  Post ReplyReply Direct Link To This Post Posted: 25 Nov 2025 at 12:58pm
We've been in the PCB library business since 1982. SOT89 was popular back then, but component manufacturers do not have standard package or terminal leads. 

There are too many variables in the SOT89 component family. 

It's impossible to cover all the various versions of the SOT89 package. 

Pin 2 with Chamfered Leads on two ends:


 

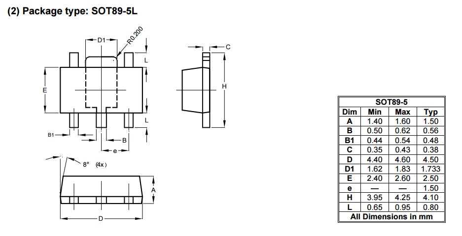
SOT89 with 5 leads:


SOT89-5 with unique Pin 2:
 
 SOT89 with chamfered Pin 2 on one end and rectangle on the other end:


 
There are many other versions on the SOT89 package, but I'm not going to post all of them. You get the general idea on this non-standard package. 
 
Stay connected - follow us! X - LinkedIn
Back to Top
m.elsayed View Drop Down
Expert User
Expert User


Joined: 22 Sep 2016
Status: Offline
Points: 265
Post Options Post Options   Thanks (0) Thanks(0)   Quote m.elsayed Quote  Post ReplyReply Direct Link To This Post Posted: 26 Nov 2025 at 9:54pm
let me help in that please, we can add paramters like count of chamfur and location , and user select values  for them, also  paramater tab connect to which pin paramters, i think this can cover  all cases
also if this can't be applied, you can add more common type and for odd cases be bulit in designer like other packages instead of drop this pacakage at all which is more common
Back to Top
 Post Reply Post Reply

Forum Jump Forum Permissions View Drop Down



This page was generated in 0.266 seconds.